- Popis výrobku
 - 
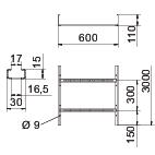
            Popis výrobkuKabelový žebřík s výškou bočnice 110 mm a s přinýtovaným nahoru otevřeným profilem C příčky.
Magnetický útlum stínění bez víka 10 dB, s víkem 15 dB.
Kabelový žebřík je dodáván složený.
Vhodnou třmenovou příchytku typu BS-H... najdete v části Systémy stoupacích žebříků.
 - 
                
 - Technické údaje
 - 
        
Technické údaje
Barva pozinkováno CO2 stopa (GWP) od kolébky po bránu 11,3076 kg CO2e / 1 metr Délka 3000 mm Děrování bočnice Ano Materiál Ocel Nerezová ocel, mořená Ne Povrch pásově zinkováno Provedení bočnice plochý profil Provedení příček Profil děrovaný Provedení pro velká rozpětí Ne Rozměr 110x600x3000 Rozměr 110x600x3000 Rozměr B 600 mm Šířka 600 mm Šířka výřezu, příčka 16,50 tloušťka bočnice 1,5 mm Upevnění příčky Slepé nýtování Užitečný průřez 56800 mm² Užitečný průřez 568 cm² Výška 110 mm Vzdálenost podpěr 2,0 m 3,1 kN/m Vzdálenost podpěr 2,5 m 2 kN/m Vzdálenost podpěr 3,0 m 1,4 kN/m Vzdálenost podpěr 3,5 m 0,9 kN/m Vzdálenost podpěr 4,0 m 0,65 kN/m Vzdálenost podpěr 4,5 m 0,55 kN/m Vzdálenost podpěr 5,0 m 0,5 kN/m Vzdálenost podpěr 6,0 m 0,15 kN/m Vzdálenost příček 300 mm Zachování funkčnosti Ne Technické údaje
Zatěžovací diagram kabelového žebříku typu LG 110 VS
                                    - 
                                                                                                    
                                                    Přípustné zatížení kabelových žlabů/žebříků v kN/m bez zatížení člověkem
                                                                                             - 
                                                                                                    
                                                    Rozpětí podpěr v mm
                                                                                             - 
                                                                                                    
                                                    Průhyb bočnice v mm při dovolených kN/m
                                                                                             - 
                                                                                                    
                                                    Schéma zatížení při zkušební metodě
                                                                                             - 
                                                                                                    
                                                    Křivka zatížení s šířkou kabelového žlabu/žebříku v mm
                                                                                             - 
                                                                                                    
                                                    Křivka průhybu bočnice v závislosti na rozestupu mezi podepřením
                                                                                             
 - 
                                                                                                    
 - Všechny typy
 - 
        
Všechny typy
 - Ke stažení
 - 
        Datový list LG 116 VS 3 FS / 6216416 , 0.30MB , pdfEU prohlášení o shodě LG 116 VS 3 FS / 6216416 , 0.13MB , pdfUK - Prohlášení shody LG 116 VS 3 FS / 6216416 , 0.09MB , pdfREACH Prohlášení o shodě LG 116 VS 3 FS / 6216416 , 0.12MB , pdfRoHS Prohlášení o shodě LG 116 VS 3 FS / 6216416 , 0.12MB , pdfEnvironmentální prohlášení o produktu (EPD) LG 116 VS 3 FS / 6216416 , 1.48MB , pdfNávod k montáži Cable ladder systems , 6.51MB , pdfNávod k montáži General information on the mounting , 2.65MB , pdf
 
								
	
		
			
			
				
					Česká republika - Čeština
				
			
			
	
			
		
	
							
							
            
            
            
            
                    
                    
                
                
                
                
                
                
                            Podélné spojky FS
                        
                            Víko s otočnou západkou, FS
                        
                            Přepážka 85 FS
                        
                            Ochranný kryt
                        
                            Svorka pro upevnění přepážky A2