Kabelový žebřík LG 110, 6 m VS FS

Obj. č. 6216454 | EAN 4012195065340

6000 mm
1,5 mm
Ne
Ocel
pásově zinkováno
Popis výrobku
Popis výrobku
Kabelový žebřík s výškou bočnice 110 mm a s přinýtovaným nahoru otevřeným profilem C příčky.
Magnetický útlum stínění bez víka 10 dB, s víkem 15 dB.

Kabelový žebřík je dodáván složený.

Vhodnou třmenovou příchytku typu 2056 najdete v části Systémy stoupacích žebříků.

  • Magnetický útlum stínění
  • Communautés Européennes, ES Prohlášení shody dle směrnic EU
  • Prohlášení o shodě UKCA
  • Kabelový žebřík, výška bočnice 110 mm
  • Environmentální prohlášení o produktu (EPD)
  • Uhlíková stopa (PCF)
Technické údaje

Technické údaje

Barva pozinkováno
CO2 stopa (GWP) od kolébky po bránu 11,2828 kg CO2e / 1 metr
Délka 6000 mm
Děrování bočnice Ano
Materiál Ocel
Nerezová ocel, mořená Ne
Povrch pásově zinkováno
Provedení bočnice plochý profil
Provedení příček Profil děrovaný
Provedení pro velká rozpětí Ne
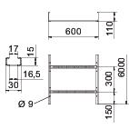
Rozměr 110x600x6000
Rozměr 110x600x6000
Rozměr B 600 mm
Šířka 600 mm
Šířka výřezu, příčka 16,50
tloušťka bočnice 1,5 mm
Upevnění příčky Slepé nýtování
Užitečný průřez 568 cm²
Užitečný průřez 56800 mm²
Výška 110 mm
Vzdálenost podpěr 2,0 m 3,1 kN/m
Vzdálenost podpěr 2,5 m 2 kN/m
Vzdálenost podpěr 3,0 m 1,4 kN/m
Vzdálenost podpěr 3,5 m 0,9 kN/m
Vzdálenost podpěr 4,0 m 0,65 kN/m
Vzdálenost podpěr 4,5 m 0,55 kN/m
Vzdálenost podpěr 5,0 m 0,5 kN/m
Vzdálenost podpěr 6,0 m 0,15 kN/m
Vzdálenost příček 300 mm
Zachování funkčnosti Ne

Technické údaje

Zatěžovací diagram kabelového žebříku typu LG 110 VS

Zatěžovací diagram kabelového žebříku typu LG 110 VS
  • Přípustné zatížení kabelových žlabů/žebříků v kN/m bez zatížení člověkem Přípustné zatížení kabelových žlabů/žebříků v kN/m bez zatížení člověkem
  • Rozpětí podpěr v mm Rozpětí podpěr v mm
  • Průhyb bočnice v mm při dovolených kN/m Průhyb bočnice v mm při dovolených kN/m
  • Schéma zatížení při zkušební metodě Schéma zatížení při zkušební metodě
  • Křivka zatížení s šířkou kabelového žlabu/žebříku v mm Křivka zatížení s šířkou kabelového žlabu/žebříku v mm
  • Křivka průhybu bočnice v závislosti na rozestupu mezi podepřením Křivka průhybu bočnice v závislosti na rozestupu mezi podepřením
Všechny typy

Všechny typy

Typ Délka Šířka tloušťka bočnice Zachování funkčnosti Materiál Povrch Obj. č. Množství Nejm. prod. jedn.
LG 112 VS 6 FS 6000 mm 200 mm 1,5 mm Ne Ocel pásově zinkováno 6216442
6 m
LG 113 VS 6 FS 6000 mm 300 mm 1,5 mm Ne Ocel pásově zinkováno 6216445
6 m
LG 114 VS 6 FS 6000 mm 400 mm 1,5 mm Ne Ocel pásově zinkováno 6216448
6 m
LG 115 VS 6 FS 6000 mm 500 mm 1,5 mm Ne Ocel pásově zinkováno 6216451
6 m
LG 116 VS 6 FS 6000 mm 600 mm 1,5 mm Ne Ocel pásově zinkováno 6216454
6 m
Příslušenství

Systémové příslušenství

Výrobky Typ Obj. č. Množství Nejm. prod. jedn.
Víko s otočnou západkou, FS Víko s otočnou západkou, FS DRL 600 FS 6052606
3 m
Podélné spojky FS Podélné spojky FS LVG 110 FS 6216545
10 Kus
Úhlové spojky 110 FS Úhlové spojky 110 FS LWVG 110 FS 6216587
10 Kus
Kloubová spojka FS Kloubová spojka FS LGVG 110 FS 6216650
10 Kus
90° oblouk 110 FS 90° oblouk 110 FS LB 90 1160 R3 FS 6225130
1 Kus
Díl T 110 FS Díl T 110 FS LT 1160 R3 FS 6225298
1 Kus
Ochranný kryt Ochranný kryt SKH 110 OR 6222553
20 Pár
Příchytka FS Příchytka FS LAS 110 FS 6221416
10 Kus
Přepážka 85 FS Přepážka 85 FS TSG 85 FS 6062114
3 m
Rohový plech FS Rohový plech FS LEB 25 FS 6221203
1 Kus
Rohový plech FS Rohový plech FS LEB 50 FS 6221246
1 Kus
Vkládací plech FS Vkládací plech FS ELB-L 60 FS 6103332
3 m
Ke stažení

Stáhnout

Stáhnout
Environmentální prohlášení o produktu (EPD) LG 116 VS 6 FS / 6216454 , 1.48MB , pdf
Stáhnout

Stáhnout
Stáhnout

LG 116 VS 6 FS / 6216454
Stáhnout