Násuvné těsnění EDR, světle šedé

Obj. č. 2011506 | EAN 4012195246909

světle šedá; RAL 7035
Popis výrobku
Popis výrobku
Násuvné těsnění pro odbočné krabice k přímému vložení metrických trubek
  • Communautés Européennes, ES Prohlášení shody dle směrnic EU
  • Stupeň krytí IP 55
  • Otvor M25
  • Otvor M32
  • Otvor M40
  • Uhlíková stopa (PCF)
Technické údaje

Technické údaje

Barva světle šedá; RAL 7035
Bez obsahu halogenů Ano
CO2 stopa (GWP) od kolébky po bránu 0,0121 kg CO2e / 1 Kus
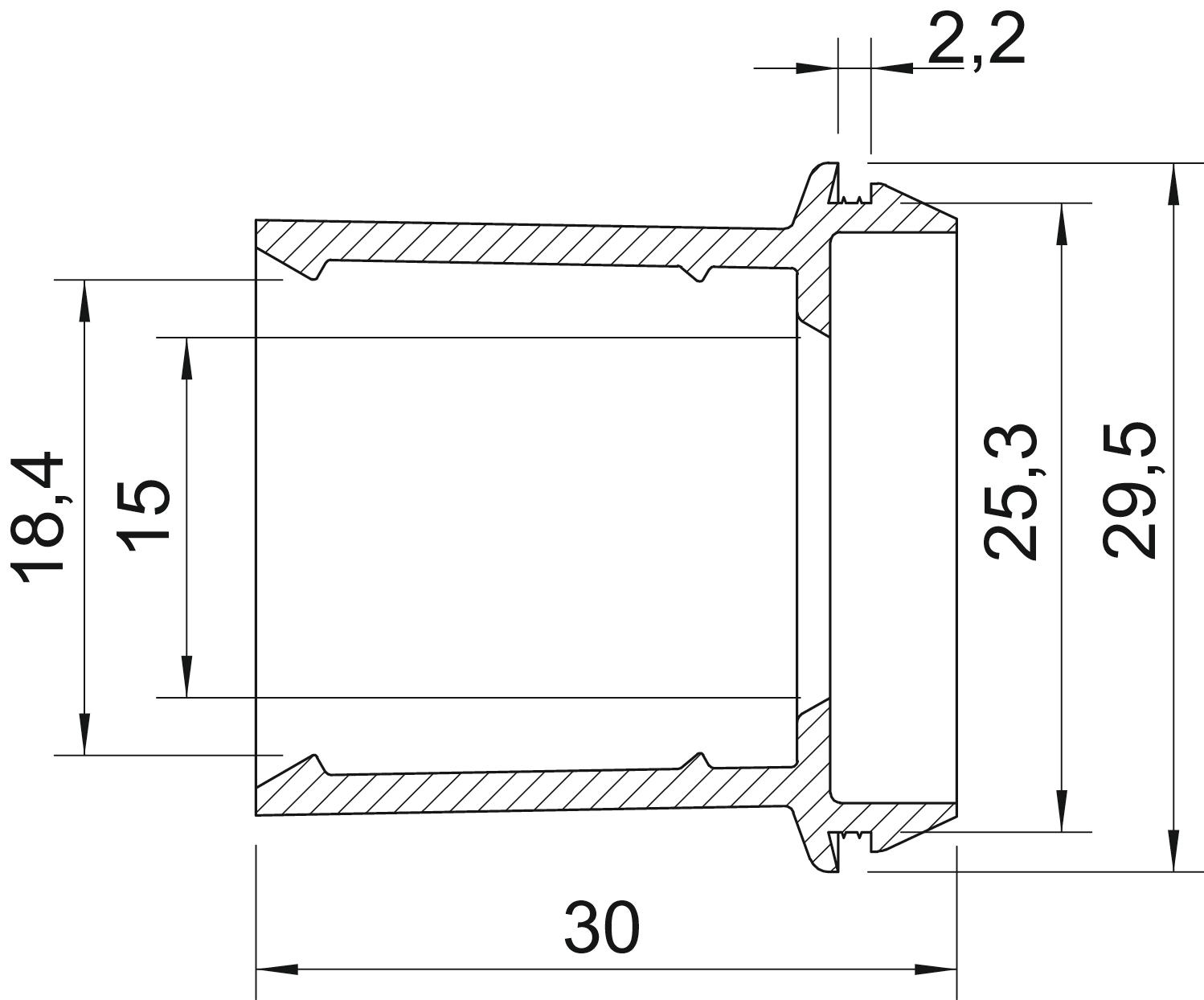
Dimension D4 18,4 mm
Jmenovitý průměr 25 mm
Materiál Termoplastický elastomer
Pro průměr max. 20 mm
Pro průměr min. 16 mm
Pro tloušťku stěny max. 2,2 mm
Pro tloušťku stěny min. 2,2 mm
Provedení otevřený
Rozměr Ø25/16-20
Rozměr D1 29,5 mm
Rozměr D2 25,3 mm
Rozměr D3 15 mm
Rozměr A 2,2 mm
Rozměr L 30 mm
Stupeň krytí IP55
Velikost M25
Všechny typy

Všechny typy

Typ Pro průměr min. Pro průměr max. Velikost Barva Obj. č. Množství Nejm. prod. jedn.
EDR 25 16-20 LGR 16 mm 20 mm M25 světle šedá; RAL 7035 2011506
50 Kus
EDR 25 20-25 LGR 20 mm 25 mm M25 světle šedá; RAL 7035 2011514
50 Kus
EDR 32 25-32 LGR 25 mm 32 mm M32 světle šedá; RAL 7035 2011530
50 Kus
Ke stažení

Stáhnout

EDR 25 16-20 LGR / 2011506
Stáhnout