Příchytka napínacího drátu A4

Obj. č. 1404292 | EAN 4012195901815

M4x14
Nerez ocel, materiál 1.4571
Holé, dodatečně ošetřeno
Popis výrobku
Popis výrobku
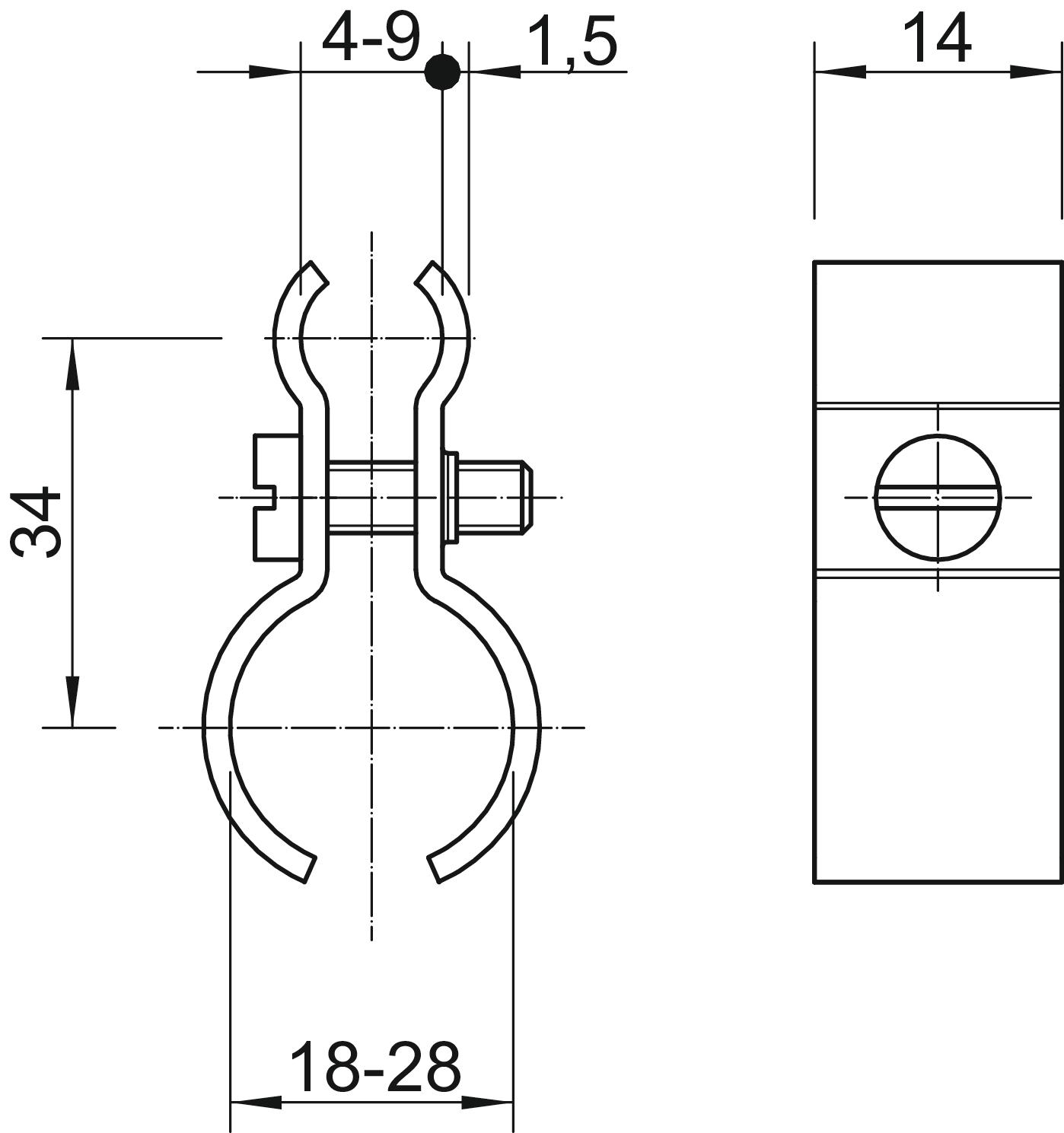
Příchytka upínacího pásu pro lano 4–9 mm, 19–28 mm. Se šroubem V4A M4 x 14.
  • Communautés Européennes, ES Prohlášení shody dle směrnic EU
  • Uhlíková stopa (PCF)
  • Obal bez plastu
  • Celý obal z recyklované lepenky
Technické údaje

CO2 stopa (Product Carbon Footprint)

CO2 stopa (GWP) od kolébky po bránu 0,1254 kg CO2e / 1 Kus
Materiál Nerez ocel, materiál 1.4571
Počet kabelů/trubek 1
Povrch Holé, dodatečně ošetřeno
Provedení Neizolované
Rozměr 19-28mm
Rozměr A 34 mm
Šroub M4x14
Všechny typy

Všechny typy

Typ Šroub Materiál Povrch Obj. č. Množství Nejm. prod. jedn.
1020 11-16 A4 M4x14 Nerez ocel, materiál 1.4571 Holé, dodatečně ošetřeno 1404168
50 Kus
1020 18-28 A4 M4x14 Nerez ocel, materiál 1.4571 Holé, dodatečně ošetřeno 1404292
50 Kus
Ke stažení

Stáhnout

1020 18-28 A4 / 1404292
Stáhnout