- Popis výrobku
-
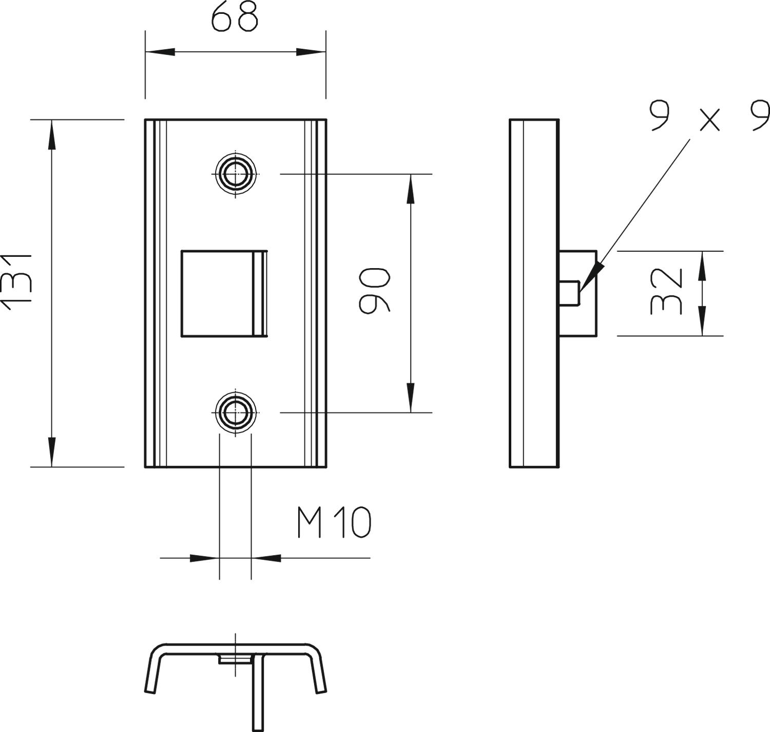
Popis výrobkuÚchyt příčky pro upevnění příček typu MS4022 do profilů IS 8.
Sada sestává vždy ze dvou upevnění příček, dvou šroubů se šestihrannou hlavou M8 × 16 mm a čtyř šroubů se šestihrannou hlavou M10 × 25 mm.
-
- Technické údaje
-
Technické údaje
Barva pozinkováno CO2 stopa (GWP) od kolébky po bránu 2,3138 kg CO2e / 2 Kus Materiál Ocel Povrch žárově zinkováno ponorem Provedení Upínací základová deska Vhodné k upevnění na konzolu Ne Vhodné pro stropní upevnění Ne Vhodné pro tvary profilů Profil I Výška 130 mm - Všechny typy
- Ke stažení
-
Datový list SA MS4022 FT / 6007496 , 0.20MB , pdfEU prohlášení o shodě SA MS4022 FT / 6007496 , 0.12MB , pdfUK - Prohlášení shody SA MS4022 FT / 6007496 , 0.09MB , pdfREACH Prohlášení o shodě SA MS4022 FT / 6007496 , 0.12MB , pdfRoHS Prohlášení o shodě SA MS4022 FT / 6007496 , 0.13MB , pdfNávod k montáži Wide span cable ladders , 7.96MB , pdfNávod k montáži General information on the mounting , 2.65MB , pdf
Česká republika - Čeština